icona-ricerca_bg
icona-accedi-registrati_bg

Area riservata/Registrati

Si informano i gentili utenti che, al momento, l’acquisto dei prodotti IGM è effettuabile esclusivamente tramite il sito ufficiale www.igmi.org
Il servizio di vendita diretta su questa piattaforma è in fase di implementazione e sarà reso disponibile prossimamente. Ci scusiamo per il temporaneo disagio.
Anteprima a bassa risoluzione del file originale e coperta da filigrana

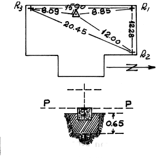
238045 – STRONGOLI (SERB. DELL’ACQUA)

ID Univoco del prodotto: 24057

12,20  IVA incl.

Selezione modalità di acquisto

Descrizione

238045 – STRONGOLI (SERB. DELL’ACQUA)

Informazioni aggiuntive

Codice e denominazione

238045 - STRONGOLI (SERB. DELL'ACQUA)

Coordinate ETRF2000

39°15'55"N, 17°2'46"N

Anno misura

1938-01-01

Materializzazione

Segnale sul serbatoio idrico dell'abitato. Centrini di superficie e di fondo. Riferimenti: 3 come da pianta. Comunicazione del 1986:i centrini sono asportati.

Accesso
Info ausiliarie
Anno istituzione

1938-01-01T00:00:00+00:00

Ordine del vertice

4

Tipo di vertice

Vertici di certa definizione

Prodotti simili

176119 – ACQUATETTA

12,20  IVA incl.