icona-ricerca_bg
icona-accedi-registrati_bg

Area riservata/Registrati

Si informano i gentili utenti che, al momento, la vendita dei prodotti IGM è sospesa.
Il servizio di vendita diretta su questa piattaforma è in fase di implementazione e sarà reso disponibile prossimamente. Ci scusiamo per il temporaneo disagio.
Anteprima a bassa risoluzione del file originale e coperta da filigrana

265107 – DIMINA

ID Univoco del prodotto: 24558

12,20  IVA inclusa

Selezione modalità di acquisto

Descrizione

265107 – DIMINA

Informazioni aggiuntive

Codice e denominazione

265107 - DIMINA

Tipo di vertice

Vertici di certa definizione

Coordinate ETRF2000

37°38'6"N, 12°52'44"N

Ordine del vertice

Tp5 (Topografico)

Anno istituzione

1975-01-01T00:00:00+00:00

Anno misura

1975-01-01

Materializzazione

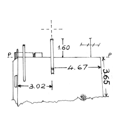
Canna fumaria cilindrica posta in posizione pressoché centrale del muro nord della casa. Asse geometrico della canna fumaria. Riferimenti:spigoli Nord-Est e Nord-Ovest della casa.

Accesso
Info ausiliarie

Prodotti simili