icona-ricerca_bg
icona-accedi-registrati_bg

Area riservata/Registrati

Si informano i gentili utenti che, al momento, l’acquisto dei prodotti IGM è effettuabile esclusivamente tramite il sito ufficiale www.igmi.org
Il servizio di vendita diretta su questa piattaforma è in fase di implementazione e sarà reso disponibile prossimamente. Ci scusiamo per il temporaneo disagio.
Anteprima a bassa risoluzione del file originale e coperta da filigrana

031048 – MONTE CORNAGGIA

ID Univoco del prodotto: 935175

12,20  IVA incl.

Selezione modalità di acquisto

Descrizione

031048 – MONTE CORNAGGIA

Informazioni aggiuntive

Codice e denominazione

031048 - MONTE CORNAGGIA

Tipo di vertice

Vertici di certa definizione

Coordinate ETRF2000

45°49'39"N, 8°30'24"N

Ordine del vertice

3

Anno istituzione

1991-01-01T00:00:00+00:00

Anno misura

1991-01-01

Materializzazione

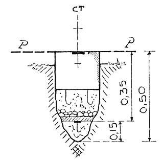
Segale sulla cima del monte omonimo. Centrino di fondo coassiale al sovrastante centrino di superficie cementato in blocco di calcestruzzo preconfezionato ed entrambi cementati in blocchi indipendenti.

Accesso

a) Da Massino Visconti si raggiunge un parco di edilizia residenziale sito ad ovest del centro abitato.Superato il quale si raggiunge la vetta, e quindi il vertice.b) dalla strada che da Sovazza conduce a Gignese per strada sterrata, ove è previsto l'impiego di messo fuoristrada, si raggiunge la vetta, e quindi il vertice in circa 40 minuti.

Info ausiliarie

Prodotti simili